280ZX (S130) Forums Dedicated to 79-83 ZCars

jigsaw puzzle help

Thread Tools
 
Search this Thread
 
Old Jul 23, 2022 | 02:35 AM
  #1  
andyb's Avatar
Thread Starter
Registered User
 
Joined: Apr 2021
Posts: 20
jigsaw puzzle help

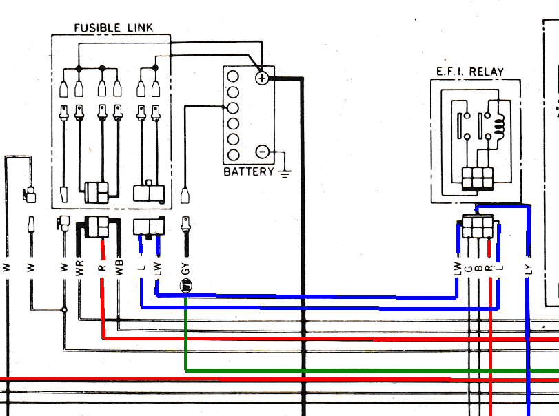
I pulled this thing apart 20+ years ago. Can someone enlighten/remind me what the efi relay looks like, where the down side of the fusible links enter the loom again. I intended to replace the fusible links with a fuse set, buuut, other that the fusible link case and the top side 4 pin in the loom, everything else is mia. It is intended to megasquirt it since all the efi is removed, buuuut, where does the red +12v cross the chassis from the efi relay to the original ecu?



Last edited by andyb; Jul 23, 2022 at 02:23 PM.
Old Jul 24, 2022 | 10:12 AM
  #2  
Kickstand80's Avatar
Registered User
 
Joined: Oct 2019
Posts: 125
The EFI relay is located behind a plastic access panel by the battery. The relay is inside the fender only about 6 inches away from the fuse links.
Old Jul 24, 2022 | 10:14 AM
  #3  
Kickstand80's Avatar
Registered User
 
Joined: Oct 2019
Posts: 125
Number 9


Old Aug 1, 2022 | 05:11 PM
  #4  
andyb's Avatar
Thread Starter
Registered User
 
Joined: Apr 2021
Posts: 20
Found them buried in the guard
Related Topics
Thread
Thread Starter
Forum
Replies
Last Post
duowing
280ZX Performance / Technical
10
Apr 24, 2011 07:32 AM
ern
300ZX (Z31) Performance / Technical
1
Jul 19, 2010 09:58 AM
f1race79
280ZX (S130) Forums
2
Jan 5, 2010 11:24 AM
nutsabout_z
240Z, 260Z, 280Z Performance / Technical
0
Jun 6, 2006 08:08 AM
Velox ZX
300ZX (Z31) Performance / Technical
1
Aug 12, 2005 12:05 PM




All times are GMT -7. The time now is 04:50 PM.